Lunes a viernes: 09:30h a 14:00 y 16:30h a 19:30h. (miércoles hasta las 18:00h.)

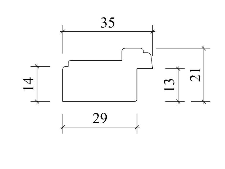
Moldura Serie 5519

Moldura para enmarcado de cuadros 3.5 x 2

Productos relacionados

Scroll al inicio